Sign In | Join Free | My gimpguru.org
China Pego Electronics (Yi Chun) Company Limited logo
Pego Electronics (Yi Chun) Company Limited
Pego Electronics-Focus on developing and promoting IEC lab testing equipments
Verified Supplier

8 Years

Home > Induction Cooker Vessels >

Gb30720 Standard Aluminum Pans For Domestic Gas Cooking Appliance

Pego Electronics (Yi Chun) Company Limited
Trust Seal
Verified Supplier
Credit Check
Supplier Assessment
Contact Now

Gb30720 Standard Aluminum Pans For Domestic Gas Cooking Appliance

  • 1
  • 2

Brand Name : PEGO Electronics

Model Number : PG-GB30ASV

Certification : Third-Lab Calibration Certificate

Place of Origin : China

MOQ : 1 set

Price : Negotiation

Payment Terms : T/T, Western Union, MoneyGram

Supply Ability : 50 sets/month

Delivery Time : 7-15 working days

Packaging Details : carton

Standard conform to : GB30720

Material : ommercial quality aluminum with density of 2700kg/m2

Stanard diameter of the pans : 200mm to 340mm

Application : for testing the energy efficiency grade for domestic gas cooking appliance

Contact Now

GB30720 Standard Aluminum Pans for Testing the Energy Efficiency and Energy Efficiency Grade for Domestic Gas Cooking Appliance

1. Introduction

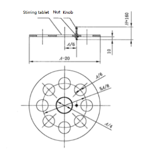
The Standard aluminum Pans are designed according to GB30720:2014. The test pans are made of commercial quality aluminum with density of 2700kg/m2, and treated by electrochemical to make the pans apprears matte-black to meet the chroma requirements of L≤50, a≤±10, b≤±10. Using a tightening joint to secure the mercury thermometer with a through hole range of 3.0 mm -7.0 mm, the stir tray is made of stainless steel with thickness 1mm.

2. Parameter

Measured heat load/kW Pans designation /mm

Heating water volume

/kg

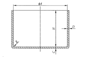
Internal diameter measured at the topφA

thickness of base

C

thickness of the side

D

internal height

H

Internal radius

E

Area of base

/cm2

Mass

/g

Mass of lid /g
≤1.72 200 2 1.5 130 2.5 314 540 125 3
2.08 220 140 3 380 680 149 4
2.48 240 150 3.5 452 800 177 5
2.91 260 2.5 1.8 160 531 965 208 6
3.36 280 170 615 1130 290 8
3.86 300 180 707 1350 323 10
4.40 320 190 804 1520 360 12
≥4.95 340 200 4 907 1800 402 14
Tolerance ±1% ±1% 0~0.5 ±5% ±5%
Pan surface treatment requirements: Matt black bottom pan, the chroma requirements: L≤50, -10≤a≤±10, -10≤b≤±10 (test condition: Adopt SCI method, standard observation angle is 10°, use D65 standard light source)

Pan:

Gb30720 Standard Aluminum Pans For Domestic Gas Cooking Appliance

Lid:

Gb30720 Standard Aluminum Pans For Domestic Gas Cooking Appliance

Stirrer and stir tray:

Gb30720 Standard Aluminum Pans For Domestic Gas Cooking Appliance

Note 1: A is the inner diameter of the pan, H is the depth of pan

Note 2: Part material: stir tray is made of aluminum plate with thickness of 1mm, knob is made of φ4 stainless steel rod

Gb30720 Standard Aluminum Pans For Domestic Gas Cooking Appliance


Product Tags:

gb30720 standard aluminum pans

      

aluminum pans for domestic gas cooking

      
Quality Gb30720 Standard Aluminum Pans For Domestic Gas Cooking Appliance wholesale

Gb30720 Standard Aluminum Pans For Domestic Gas Cooking Appliance Images

Inquiry Cart 0
Send your message to this supplier
 
*From:
*To: Pego Electronics (Yi Chun) Company Limited
*Subject:
*Message:
Characters Remaining: (0/3000)